Goulotte de câblage VK 40x40-7030, PVC, embase/couvercle, gris
| Fabricant | GGK |
| Référence Article | 1685 |
| Gamme de produits | 60-Goulotte de câblage |
| Unité d'emballage | 48 mètres |
| Code EAN | 4018475016859 |
| Numéro de tarif douanier | 39259020 |
| Statut du produit |
Gamme standard
|
Goulotte de câblage en PVC selon DIN EN 50085-2-3 pour le montage dans des armoires électriques, embase avec parois latérales fendues et avec une rangée de perforations sur le fond de l'embase selon DIN EN 50085-2-3, couvercle recouvrant avec une arête située tout le long pour un positionnement d'étiquette. Les lamelles latérales peuvent être découpées sans outil, elles peuvent être également découpées juqu'au fond à l'aide d'une pince . La goulotte de câblage est testée VDE et certifiée CSA.
| Matériau | PVC |
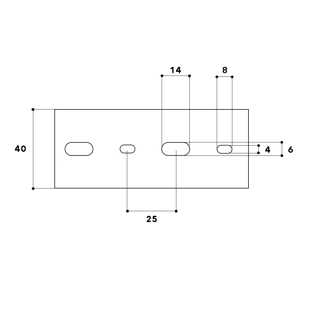
| Hauteur | 40 mm |
| Largeur | 40 mm |
| Longueur | 2000 mm |
| Distance entre les fentes | 14 mm |
| Largeur de fente | 5 mm |
| Finition de paroi latérale | fendu |
| Sans halogène | non |
| Auto-extinguible | oui |
| Flexible | non |
| Section transversale utile | 1323 mm² |
| Type de fixation | Perforation inférieure |
| Avec partie supérieure | oui |
| Couleur | gris |
| Numéro RAL | 7030 |
Veuillez consulter notre section de Téléchargements.